
许多教堂的构造看上去像剧场,音乐厅,教室和会议中心。他们都需要一套能够同时满足所有区域需求的音响系统。在本指导下,以下需求会得到满足:
具备在工作人员操作时或无人职守的情况下独立处理的能力。
为主扩声场所及舞台返听调整均衡器,分频器,延迟器,限制器和反馈抑制器(AFS)。
通过自动增益控制(AGC)和参数均衡协助听音设备。
能够连接幻灯机和幕布。
在每个教师配备各自的话筒,扩声及声源选择器。
在办公室和每个教师间配备两分频传呼系统。
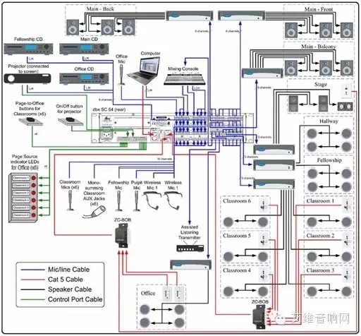
支持现场舞台秀,报告和多媒体是SC设备的拿手好戏,它可轻易地将各种输入信号进行复杂的路由和混合。在下例方案中,使用的是一台32 x32输入/输出的SC 64。

在大型演出中大量的话筒和乐器连接在调音台上。调音台的LCR(左中右)和监听输出至SC 64,然后连接功放,再接LCR扬声器和舞台返听扬声器。这个配置可使音响工程师利用SC 64强大的矩阵信号处理能力。教堂的话筒和声源可直接连接至SC 64而无需依赖调音台。在音响工程师不在场时,这对于会议和彩排是很有用的。为了适应这种情况,在舞台附近安装的ZC-2能够方便的为三个教堂话筒调节输入增益。
音响工程师通过HiQnet System ArchitectTM软件中"Master Building Mixer(房间总混音)"自定义控制面板来监控任何由SC 64传至调音台的信号(请参见"House of Worship"venue文件)。在这个Custom Control Panel(自定义控制板)中同样可以为该场所中未安装声源选择器的区域进行声源选择及精细的音量控制。为了进行更高级的控制设置,这个或其它自定义控制面板都可以简易地通过无线网络与便携式电脑连接,使得安装人员能够在游走该场所时对扬声器或个区域进行音量调整。
教堂的主扩声系统由十台扬声器组成:在舞台中央装有一只低音扬声器,在舞台前的左中右分别安装一只外置分频的扬声器,在舞台后方分别装有左中右外置分频扬声器,在二楼的左中右也分别安装了外置分频扬声器。尽管这个房间非常宽敞,但通过对每个扬声器调整均衡,延迟,分频后使教堂扩声的可懂性大大提升。内置dbx的PeakStopPlus? 限幅技术-能够结合平坦的具备"铜墙铁壁"般可靠性的RMS限幅器-在每个输出通道上对扬声器进行保护。为了在回馈前增益上得到高品质的表现,在所有主扩声话筒输入通道的插入端上配备有强大的dbx反馈抑制周边。通过SC 64可为每个观众提供更美妙的视听体验。自动增益控制和参数均衡能够使所有的扩声设备表现完美。
SC 32和64的另一个强项是整合外部设备-大多数要求专业固定安装的工程。在这个方案中,SC 64被用来控制幻灯机和幕布。在SC背后的逻辑输入接口上连接一个封闭式按钮,并设置Relay(中转)输出连接至幻灯机。与幻灯机连接的幕布可以通过幻灯机的开关来自动升降。安装人员能通过HiQnet System ArchitectTM软件中的GPIO向导与幻灯机的电源及升降开关等任何串联控制开关进行快速联动。用户能深刻体会到,在远离控制室(装有幻灯机)的地方控制幻灯机的便捷性。在此方案中,该开关安装在舞台附近。

SC 64同时可用来创建办公室与六个教室的内部通话系统。在办公室内的用户可以通过两个ZC-7及时向每个教室或所有区域进行传呼。每一个教室可以通过连接在Control Input Ports(控制输入端)的瞬时按钮对办公室做出响应。除了触发教室话筒路由至办公室的Panel Preset(面板预设)以外,每一个开关都能激活办公室中六个相对应的LED指示灯[与(Logic Output Ports)逻辑输出连接]。这些在办公室中LED指示灯可直观的表示传呼源[请参见在此文档背面的输入/输出图解中的"PageSource Indicator LEDs for Office(办公室传呼源LED指示灯)"图示]。调节传呼信号下潜20dB使得办公室与教室的通讯更加便捷(在PriorityMix Controls优先混合控制窗口中进行调节)。
每个教室的话筒都用来加强声音。在每个教室配备一个1/8英寸单声道整合辅助Jack接口可使课堂媒体共享变得更灵活。除了能够控制话筒输入增益以外,每个教室中的ZC-8能在话筒,辅助接口,话筒的混音及辅助接口(下潜6dB于话筒)之间进行声源选择,或者不使用声源。
由于该场所面积巨大,故使用两个ZC-BOB来将相隔1000英尺的控制室(装有SC和ZC-BOB的地方)和每一个ZC控制器进行连接。